03.2 - L'isostatisme et les axes normalisés
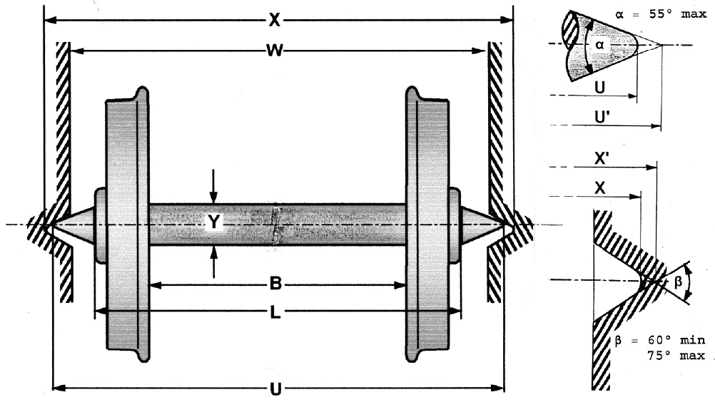
L'axe à pointes selon NEM 314
Axe à portées extérieures en pointe selon NEM 314
Second exemple, prenons une locomotive de configuration 030T pour simplifier notre propos et inscrivons la en courbe, connaissant les jeux latéraux autorisés aux trois essieux.
On voit ici son chassis seul, dans l’état de développement actuel.
Nous suivrons le développement de cette machine dans d’autres sections du présent guide, la première image la montrant en Proto’87.
Le réducteur emmène la locomotive par l’essieu avant M1, ce qui est une idée à suivre dans ce cas puisque la suppression du jeu latéral permet de limiter l’encombrement entre les crosses de piston, et donc de ne pas surécarter les cylindres.
Si nous avions installé le réducteur à l’arrière selon notre habitude pour dégager le dessous de la chaudière, nous n’aurions pas pu le faire aussi simplement, l’essieu menant aurait eu un jeu très limité et l’essieu avant aurait dû en recevoir, obligeant ainsi à surécarter les pistons et péjoré le rendu global du modèle.
Il y a d’autres solutions bien entendu mais nous avons retenu celle-ci.
Sur la vue de droite, cette fois en version RP25-88, voici depuis dessous les deux essieux arrières M2 et M3.
Second exemple, prenons une locomotive de configuration 030T pour simplifier notre propos et inscrivons la en courbe, connaissant les jeux latéraux autorisés aux trois essieux.
On voit ici son chassis seul, dans l’état de développement actuel.
Nous suivrons le développement de cette machine dans d’autres sections du présent guide, la première image la montrant en Proto’87.
Le réducteur emmène la locomotive par l’essieu avant M1, ce qui est une idée à suivre dans ce cas puisque la suppression du jeu latéral permet de limiter l’encombrement entre les crosses de piston, et donc de ne pas surécarter les cylindres.
Si nous avions installé le réducteur à l’arrière selon notre habitude pour dégager le dessous de la chaudière, nous n’aurions pas pu le faire aussi simplement, l’essieu menant aurait eu un jeu très limité et l’essieu avant aurait dû en recevoir, obligeant ainsi à surécarter les pistons et péjoré le rendu global du modèle.
Il y a d’autres solutions bien entendu mais nous avons retenu celle-ci.
Sur la vue de droite, cette fois en version RP25-88, voici depuis dessous les deux essieux arrières M2 et M3.
La norme NEM 314 en chiffres
Les valeurs spécifiées sont indiquées ici au milieu de la tolérance.
Les cotes pertinentes pour l’écartement 16.5 mm voie normale sont :
NEM 314 spécifie que le rayon de l’arrondi de la pointe est d’environ 0.15 mm et celui de la portée est d’environ 0.25 mm mais ne spécifie pas de tolérances sur ces cotes.
Les valeurs spécifiées sont indiquées ici au milieu de la tolérance.
Les cotes pertinentes pour l’écartement 16.5 mm voie normale sont :
| B | 14.5 ± 0.1 mm selon NEM 310 |
| Y | 2.0 mm à titre indicatif |
| Lmax | 20.7 mm max |
| W | 21.2 ± 0.2 mm |
| U | 23.9 ± 0.1 mm |
| U’ | 24.3 ± 0.1 mm |
| X | 24.4 ± 0.1 mm |
| X’ | 24.6 ± 0.1 mm |
| α | 55° max |
L’axe à pointe, comment ça marche ?
Pour accentuer visuellement l’effet, nous avons raccourci l’axe et rapproché d’autant les portées creusées dans les flancs du chassis.
Sur l’image de gauche centrée sur le chassis, nous avons poussé l’axe le plus possible vers la droite : le poids du véhicule amène le wagon à descendre, le bout sphérique de l’axe venant au contact de la portée conique du chassis.
Voici en bleu clair la zone dans laquelle le centre du bout de l’axe peut se trouver n’importe où, qui mesure 0.28 mm de haut et de diamètre.
Ceci suppose que l’usinage de l’axe soit conforme, ce qui n’est pas toujours le cas, vérifiez vos axes dits « REE/Proto’87 » A249 AMF’87, une dénomination étonnante pour des axes qui, finalement, sont juste normalisés selon NEM 314.
Mais ceci suppose aussi que le fond de la portée du chassis ou du palier rapporté soit sphérique pour respecter NEM 314, vérifiez vos paliers rapportés Peco JR14 ou A982 AMF’87.
Si ce n’est pas le cas à cause d’un usinage bon marché du palier laiton ou pire, de l’usure d’une portée injectée ou imprimée, au lieu d’une trajectoire arrondie et sans heurt, la pointe s’arrêtera dans l’axe et l’isostatisme ne sera pas assuré !
Pour accentuer visuellement l’effet, nous avons raccourci l’axe et rapproché d’autant les portées creusées dans les flancs du chassis.
Sur l’image de gauche centrée sur le chassis, nous avons poussé l’axe le plus possible vers la droite : le poids du véhicule amène le wagon à descendre, le bout sphérique de l’axe venant au contact de la portée conique du chassis.
Voici en bleu clair la zone dans laquelle le centre du bout de l’axe peut se trouver n’importe où, qui mesure 0.28 mm de haut et de diamètre.
Ceci suppose que l’usinage de l’axe soit conforme, ce qui n’est pas toujours le cas, vérifiez vos axes dits « REE/Proto’87 » A249 AMF’87, une dénomination étonnante pour des axes qui, finalement, sont juste normalisés selon NEM 314.
Mais ceci suppose aussi que le fond de la portée du chassis ou du palier rapporté soit sphérique pour respecter NEM 314, vérifiez vos paliers rapportés Peco JR14 ou A982 AMF’87.
Si ce n’est pas le cas à cause d’un usinage bon marché du palier laiton ou pire, de l’usure d’une portée injectée ou imprimée, au lieu d’une trajectoire arrondie et sans heurt, la pointe s’arrêtera dans l’axe et l’isostatisme ne sera pas assuré !
Axe à pointes et isostatisme
Comme on vient de le voir, les deux congés sphériques spécifiés par NEM 314 au bout de l’axe et dans la portée participent à l’isostatisme et doivent être respectés, mais quel est leur effet ?
Prenons un bogie simplifié avec nos axes raccourcis comme dans l’image précédente et un entraxe très court, ici encore pour mieux voir les effets : au pire des cas, l’axe arrière peut lever sa pointe de gauche de 0.14 mm par rapport au chassis, alors que l’axe avant peut lever sa pointe de droite de la même distance de 0.14 mm.
Dans cette configuration, l’axe avant peut se dégauchir verticalement de 0.28 mm par rapport à l’axe arrière en suivant sans heurt les aléas de la voie : amorce de pente, lacune au franchissement du cœur d’un appareil de voie ou pose de voie un peu erratique.
Or cette distance de 0.28 mm doit vous rappeler quelque chose, ami lecteur : elle correspond à la différence entre le diamètre nominal de la roue et celui du cercle limite entre le congé de raccordement entre la table de roulement conique et le boudin de la roue !
Comme on vient de le voir, les deux congés sphériques spécifiés par NEM 314 au bout de l’axe et dans la portée participent à l’isostatisme et doivent être respectés, mais quel est leur effet ?
Prenons un bogie simplifié avec nos axes raccourcis comme dans l’image précédente et un entraxe très court, ici encore pour mieux voir les effets : au pire des cas, l’axe arrière peut lever sa pointe de gauche de 0.14 mm par rapport au chassis, alors que l’axe avant peut lever sa pointe de droite de la même distance de 0.14 mm.
Dans cette configuration, l’axe avant peut se dégauchir verticalement de 0.28 mm par rapport à l’axe arrière en suivant sans heurt les aléas de la voie : amorce de pente, lacune au franchissement du cœur d’un appareil de voie ou pose de voie un peu erratique.
Or cette distance de 0.28 mm doit vous rappeler quelque chose, ami lecteur : elle correspond à la différence entre le diamètre nominal de la roue et celui du cercle limite entre le congé de raccordement entre la table de roulement conique et le boudin de la roue !
Effet de NEM 314 selon la norme de roulement
Comme nous l’avons vu, les congés de raccordement des axes et les portées coniques rapportées ou intégrées au chassis assurent la sécurité du roulement s’ils respectent réellement les normes NEM 314 et NEM 311.1, dont on peut saluer la cohérence et la complétude.
Les cônes et congés assurent la fonction de coin de rappel des axes dans le plan médian.
Les efforts latéraux tendent à s’équilibrer dès que le modèle roule et la roue est donc plaquée sur le rail sans élément élastique, ce qui est précisément la fonction de l’isostatisme recherché !
La « qualité » des modèles industriels, artisanaux et constructions personnelles, mesurée ici à l’aune de la sécurité de roulement, doit vous guider dans vos choix si vous exploitez intensivement.
Moins répandue, la norme Proto’87 définit l’ornière des appareils de voie ainsi que les profils des bandages, mais elle reste muette quant à la forme des guidages d’essieux : un silence assourdissant !
La pression industrielle est absente de ce « marché » et nous amène à adopter nous aussi la norme NEM 314 par défaut en Proto’87.
C’est un peu moins sûr, mais on va dire que ça passe !
Comme nous l’avons vu, les congés de raccordement des axes et les portées coniques rapportées ou intégrées au chassis assurent la sécurité du roulement s’ils respectent réellement les normes NEM 314 et NEM 311.1, dont on peut saluer la cohérence et la complétude.
Les cônes et congés assurent la fonction de coin de rappel des axes dans le plan médian.
Les efforts latéraux tendent à s’équilibrer dès que le modèle roule et la roue est donc plaquée sur le rail sans élément élastique, ce qui est précisément la fonction de l’isostatisme recherché !
La « qualité » des modèles industriels, artisanaux et constructions personnelles, mesurée ici à l’aune de la sécurité de roulement, doit vous guider dans vos choix si vous exploitez intensivement.
Moins répandue, la norme Proto’87 définit l’ornière des appareils de voie ainsi que les profils des bandages, mais elle reste muette quant à la forme des guidages d’essieux : un silence assourdissant !
La pression industrielle est absente de ce « marché » et nous amène à adopter nous aussi la norme NEM 314 par défaut en Proto’87.
C’est un peu moins sûr, mais on va dire que ça passe !
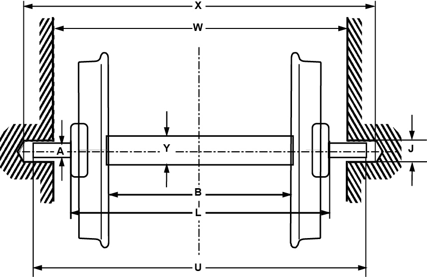
L'axe à fusées selon NEM 313
Axe à portées extérieures en fusée selon NEM 313
Les chassis des wagons et voitures en modèles réduits industriels sont souvent rigides et encaissent les aléas de la voie par le profil de la roue et la hauteur du boudin comme on l’a vu, mais aussi en adoptant des axes normalisés prévus à cet effet.
On voit ici l’axe à fusées spécifié selon la norme NEM 313 dont ces vues sont extraites, voir le point précédent pour l’axe à pointes selon la norme NEM 314.
Par construction, ces axes comportent des jeux entre leurs portées et la contrepièce incluant les portées femelles, qui est soit un palier soit fait partie intégrante du longeron de chassis ou du bogie.
Un palier métallique peut aussi assumer cette fonction importante, son assemblage doit respecter la portée spécifiée.
Les chassis des wagons et voitures en modèles réduits industriels sont souvent rigides et encaissent les aléas de la voie par le profil de la roue et la hauteur du boudin comme on l’a vu, mais aussi en adoptant des axes normalisés prévus à cet effet.
On voit ici l’axe à fusées spécifié selon la norme NEM 313 dont ces vues sont extraites, voir le point précédent pour l’axe à pointes selon la norme NEM 314.
Par construction, ces axes comportent des jeux entre leurs portées et la contrepièce incluant les portées femelles, qui est soit un palier soit fait partie intégrante du longeron de chassis ou du bogie.
Un palier métallique peut aussi assumer cette fonction importante, son assemblage doit respecter la portée spécifiée.
La norme NEM 313 en chiffres
Les valeurs spécifiées sont indiquées ici au milieu de la tolérance.
Les cotes pertinentes pour l’écartement 16.5 mm voie normale sont :
Nous constatons que la norme NEM 313 spécifie une valeur minimale de B qui ne satisfait pas la norme NEM 310 !
Nous nous permettons donc de la rectifier ici.
A force de minimiser le texte sur lequel se base la norme NEM313, ce dessin paraît ambigü quant à la fonction des différentes parties des pièces impliquées :quels sont vraiment les jeux fonctionnels ?
Les valeurs spécifiées sont indiquées ici au milieu de la tolérance.
Les cotes pertinentes pour l’écartement 16.5 mm voie normale sont :
| B | 14.5 ± 0.1 mm selon NEM 310 |
| Amax | 1.0 mm |
| Y | 2.0 mm à titre indicatif |
| Jmin | 1.2 mm |
| Lmax | 20.8 mm max |
| U | 25.5 ± 0.2 mm |
| W | 22.6 ± 0.2 mm |
| X | 26.2 ± 0.4 mm |
Nous nous permettons donc de la rectifier ici.
A force de minimiser le texte sur lequel se base la norme NEM313, ce dessin paraît ambigü quant à la fonction des différentes parties des pièces impliquées :quels sont vraiment les jeux fonctionnels ?
Une norme impraticable ?
La longueur L de la partie centrale de l’axe est spécifiée à 20.8 mm maximum, alors que les faces internes des portées dans le chassis sont à une distance W de 22.6 ± 0.2 mm l’une de l’autre.
Si ces portées étaient débouchantes, le jeu latéral de l’axe serait d’au moins 1.6 mm, une valeur qui parait très importante. Mais comme le dessin le stipule, ces portées ont un fond !
La distance X entre les fonds des portées du chassis valant 26.2 ± 0.4 mm et la longueur totale U de l’axe valant 25.5 ± 0.2 mm, le jeu latéral de l’axe est défini entre 0.1 mm et 1.3 mm.
La norme permet un jeu latéral minimal de 0.1 mm, très faible !
Notre parti pris après ce constat est de diminuer la tolérance sur la profondeur des logements en respectant la cote médiane de la norme.
En ramenant X à 26.2 ± 0.1 mm, le jeu latéral est cette fois défini entre 0.4 mm et 1.0 mm soit donc toujours suffisant.
Ceci parait déjà plus raisonnable et la distance imposée entre la roue et le chassis est largement assurée. !
La longueur L de la partie centrale de l’axe est spécifiée à 20.8 mm maximum, alors que les faces internes des portées dans le chassis sont à une distance W de 22.6 ± 0.2 mm l’une de l’autre.
Si ces portées étaient débouchantes, le jeu latéral de l’axe serait d’au moins 1.6 mm, une valeur qui parait très importante. Mais comme le dessin le stipule, ces portées ont un fond !
La distance X entre les fonds des portées du chassis valant 26.2 ± 0.4 mm et la longueur totale U de l’axe valant 25.5 ± 0.2 mm, le jeu latéral de l’axe est défini entre 0.1 mm et 1.3 mm.
La norme permet un jeu latéral minimal de 0.1 mm, très faible !
Notre parti pris après ce constat est de diminuer la tolérance sur la profondeur des logements en respectant la cote médiane de la norme.
En ramenant X à 26.2 ± 0.1 mm, le jeu latéral est cette fois défini entre 0.4 mm et 1.0 mm soit donc toujours suffisant.
Ceci parait déjà plus raisonnable et la distance imposée entre la roue et le chassis est largement assurée. !
Et l’isostatisme dans tout ça ?
Le jeu de 0.2 mm entre la fusée de l’axe et la portée du flanc permet d’absorber le franchissement d’une lacune dans un appareil de voie ou un léger gauchissement de la voie. Par contre, la roue ainsi déchargée n’est pas soumise à un effort de rappel comme c’est le cas avec la norme NEM 314, qui permet de recentrer l’axe jusqu’à l’équilibre des forces au roulement.
Comme la roue reste déchargée, d’une part la position de la fusée dans la portée cylindrique est indéterminée, d’autre part et c’est plus grave, l’isostatisme n’est pas assuré.
De même, le centrage de l’essieu au plan médian n’est pas assuré par la forme des portées et donc la position moyenne des roues par rapport aux sabots de frein, par exemple, n’est pas assurée non plus.
La norme NEM 313 étant nettement moins sûre que NEM 314, je ne peux pas encourager l’application de NEM 313.
NEM 314 est une alternative nettement préférable !
Le jeu de 0.2 mm entre la fusée de l’axe et la portée du flanc permet d’absorber le franchissement d’une lacune dans un appareil de voie ou un léger gauchissement de la voie. Par contre, la roue ainsi déchargée n’est pas soumise à un effort de rappel comme c’est le cas avec la norme NEM 314, qui permet de recentrer l’axe jusqu’à l’équilibre des forces au roulement.
Comme la roue reste déchargée, d’une part la position de la fusée dans la portée cylindrique est indéterminée, d’autre part et c’est plus grave, l’isostatisme n’est pas assuré.
De même, le centrage de l’essieu au plan médian n’est pas assuré par la forme des portées et donc la position moyenne des roues par rapport aux sabots de frein, par exemple, n’est pas assurée non plus.
La norme NEM 313 étant nettement moins sûre que NEM 314, je ne peux pas encourager l’application de NEM 313.
NEM 314 est une alternative nettement préférable !






